Bakgrund
I muséets samlingar finns en Sambandshytt 211, monterad på en Lastterrängbil 939 (Ltgb 939) och en Radiolänkcentralhytt 311 (Rlchytt 311) monterad på Tgb 30. Hytterna var, när museet fick dem, i den typ som ingick i Fördelningsstabsbataljonens Stabskompani samt i Foförstärkningskompanierna under 1970 och i det utförande som var det sista innan Telesystem 9000 infördes i slutet av 1990-talet. De innehåller även den modifiering som gjordes omkring 1992 då elverk 4 kVA installerades och hytten försågs med avbrottsfri kraft.
De hade dessutom modifierats så att en av de två Telefonväxlarna 40DL ersattes av tre Vx 15DL, den automatväxel som anskaffades i slutet av 1980-talet efter det att försöken med TS 8000 avbrutits. Den behövdes för att automatiskt förmedla trafik mellan telefaxar.
Eftersom stabsplatsuppbyggnaden i princip sett likadan ut, med sambands- och stabshytter men med olika materiel, från 1970-talet till början av 2000-talet har vi ansett att det är väsentligt att återställa grundprinciperna och visa framtida besökare hur filosofin var.



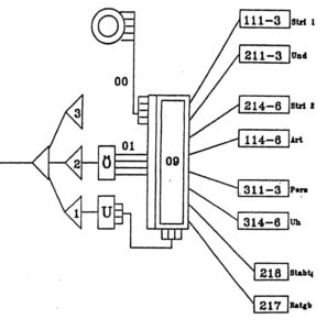
Med Telefonväxel 15DL infördes även en fast nummerplan med treställiga telefonnummer enligt ovanstående bild.

Inredningen i sambandshytten var enligt följande bild som visar funktionerna i hytten.
Växlarna 15DL (3 stycken) monterades på platsen för den vänstra Växel 40DL och anslöts till MK/OK-utrustningen i hytten.

I sambandshytten vid Fördelningsstaben fanns bärfrekvensutrustningar och gruppmodulator, som anslöts med FL kabel till radiolänkgruppen, som var grupperad på sändarplats.

Sambandshytt kan även anslutas direkt till radiolänkcentralen via FL-kabel för att fördelningsstabsplatsen skulle kunna vara helt radiotyst.
Radiostationerna för två av fördelningens radio UK nät finns i radiolänkcentralhytten och fjärrmanövrerades från Sambandshytten via radiolänksystemet.
I hytterna finns även en Mellan- och omkopplingsenhet (MK/OK) som med en standardkopplingar fördelade telefoni- och telegrafi-/fjärrskrift-kanalerna till telefonväxel och fjärrmanöverutrustningar.
Med MK/OK kunde tillfälliga omkopplingar (OK) göras med kopplingssnören i den fasta mellankoppling (MK).


I Radiolänkcentralhytten finns bärfrekvensutrustningar och gruppmodulatorer för upprättande av radiolänkförbindelser till sambandshytt vid fördelningsstabsplats, brigadstaber och till artilleriregementsstab oftast via anslutningspunkt för Försvarets telenät (FTN).
Arbetsläget
När arbetet startade var hytterna fullständigt rensade på all sambandsmateriel (U-listemtrl).
Mycket städning behövdes.
Viss utrustning som t.ex. elverket saknas också.
Med hjälp av den tekniska dokumentationen och den personal, som finns i museet, har vi dock att kunnat återställa hytterna till i det närmaste ursprungligt skick
Målsättningen är att vi ska rekonstruera sambands- och radiolänkcentralhytterna så som de såg ut i mitten på 1990-talet.
Det har varit mycket arbete med att städa upp i hytterna och att plocka fram de enheter som skall monteras. I museets samlingar finns i stort sett allt som skall vara i hytterna.
Vi förde dessutom en diskussion om huruvida det skall vara fjärrskrift eller miltex, beroende på vilken tidsperiod vi skall avgränsa oss till. Beslutet har blivit att vi återinstallerar fjärrskrift, dels därför att det var det ursprungliga och dels för att det är enklare för besökare att handha. Målsättningen är nämligen att hytterna skall fungera interaktivt, där besökare kan knappa och själva känna på hur det fungerar.
Vissa komponenter har vi behövt nytillverka.

De telefonväxlar 15 DL som installerades i slutet av 1980-talet har i båda hytterna ersatts av en telefonväxel 40 DL. Hytterna har nu de två televäxlarna som fanns i ursprungligt skick, samt en multipel 100DL i sambandshytten. Det skall vara en multipel även i radiolänkcentralhytten, men en sådan går inte att få tag i nu. Om det inte finns en telefonstationskärra någonstans som den kan tas ur.
Radiolänkcentral- och sambandshytterna är nu, med vissa mindre arbeten, klara.
Det finns även en stabshytt som skall iordningsställas under 2017, så att hytterna kan bilda stomme till en enkel stabsplats med en sambandshytt och en stabshytt.
För att återställa stabshytten är det emellertid ganska mycket mer arbete, men med god vilja och arbetsvilliga kamrater kommer det säkert att gå bra.
Målsättningen är att kunna visa hur en stabsplats i fält med hytter på fordon, såg ut och att det skall finnas ett fungerande sambandssystem, där besökare kan knappa på utrustningarna.
